ONSEMI descrive le principali differenze tra i transistor GAN e SIC
Dopo diversi decenni durante i quali il silicio era di gran lunga il materiale più utilizzato per realizzare transistor, lo scenario è gradualmente cambiato.

Fig. 1. In questa figura viene riportato un confronto tra capacità di gestione della potenza e frequenza di commutazione per i più diffusi transistor ad alta tensione ed elevate corrente unitamente alle loro principali applicazioniSemiconduttori WBG
Nel corso degli anni sono stati sviluppati semiconduttori composti, ovvero realizzati con due o tre materiali, con caratteristiche superiori e capaci di garantire sensibili vantaggi. I semiconduttori composti hanno permesso a esempio la realizzazione dei diodi a emissione luminosa (LED – Light Emitting Diode). Per alcuni si impiega una combinazione di arseniuro di gallio (GaAs – Gallium Arsenide) e arseniuro di gallio e fosforo (GaAsP), mentre per altri si ricorre a indio e fosforo.
Sebbene i semiconduttori composti siano più difficili da realizzare e più costosi, offrono significativi vantaggi rispetto al silicio. Nelle nuove applicazioni che richiedono prestazioni superiori, come a esempio i sistemi elettrici impiegati in campo automotive e i veicoli elettrici (EV), i semiconduttori composti sono più adatti a soddisfare le stringenti specifiche tipiche di tali applicazioni.
Tra i dispositivi realizzati con semiconduttori composti che si sono affermati come valide soluzioni vi sono i transistor di potenza in nitruro di gallio (GaN – Gallium Nitride) e in carburo di silicio (SiC - Silicon Carbide). Questi dispositivi sono in grado di competere con i collaudati MOSFET LDMOS di potenza e i MOSFET a super-giunzione. Anche se sotto certi aspetti i dispositivi GaN e SiC sono simili, esistono comunque differenze considerevoli. In questo articolo vengono confrontate le due tipologie e sottolineati alcuni elementi utili che il progettista deve prendere in considerazione nel momento della scelta del dispositivo più adatto per il proprio design.
I semiconduttori composti sono denominati dispositivi WBG (Wide BandGap, ovvero a estesa ampiezza di banda). Senza voler entrare nel dettaglio su argomenti quali struttura del reticolo cristallino, livelli di energia e altri complessi aspetti relativi alla fisica dei semiconduttori, si può affermare che con la definizione di WBG si fa riferimento a un modello che cerca di descrivere la modalità secondo la quale la corrente (ovvero gli elettroni) fluisce in un semiconduttore composto.
Poiché i semiconduttori composti WBG sono caratterizzati da un'elevata mobilità degli elettroni e una maggiore energia di bandgap, possono vantare caratteristiche superiori rispetto al silicio. I transistor realizzati a partire da semiconduttori composti WBG sono contraddistinti da tensioni di breakdown superiori e garantiscono una maggiore tolleranza alle elevate temperature. Tali dispositivi sono dunque superiori rispetto a quelli in silicio nelle applicazioni che prevedono elevati valori di tensione e potenza.

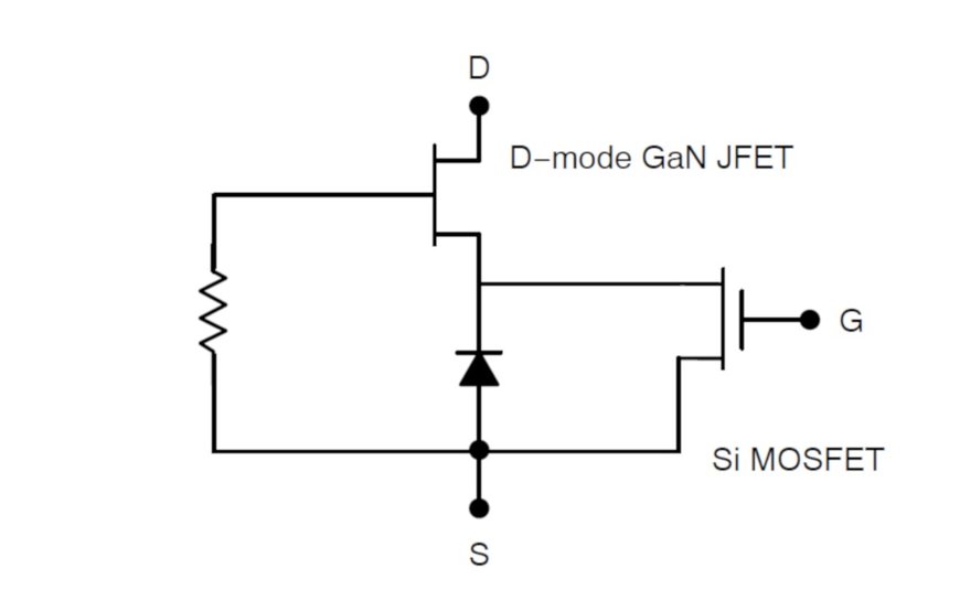
Fig. 2 – Un circuito cascode a due chip formato da due FET converte i transistor GaN in dispositivi normalmente off, consentendo il funzionamento della modalità ad arricchimento (Enhancement mode) che è standard nei circuiti di commutazione a elevate potenza
I transistor WBG commutano a una velocità superiore e possono operare a frequenze più elevate rispetto agli analoghi dispositivi in silicio. Il ridotto valore della “on resistance” (resistenza nello stato di on) si traduce in una minore dissipazione di potenza, a tutto vantaggio dell'efficienza. Una tale combinazione di caratteristiche rende tali dispositivi particolarmente adatti all’uso in alcuni dei più complessi circuiti destinati alle applicazioni automotive, specialmente nei veicoli elettrici e ibridi.
Per affrontare in modo adeguato le problematiche relative alle apparecchiature elettriche usate nel settore automotive sono stati resi disponibili in tempi brevi transistor GaN e SiC. Tra i vantaggi di questi dispositivi si possono annoverare i seguenti:
- Capacità di supportare elevate tensioni grazie a dispositivi da 650, 900 e 1200V;
- Velocità di commutazione più elevata;
- Intervallo di temperatura operativa più esteso;
- Minore resistenza in fase di conduzione che contribuisce a minimizzare la dissipazione di potenza e incrementare l'efficienza.
Transistor GaN
Inizialmente i transistor GaN sono stati utilizzati in un settore di nicchia, quello della potenza RF. La natura dei materiali ha portato allo sviluppo di transitor FET (Field Effect Transistor) a svuotamento (depletion mode). Denominati pHEMT (pseudomorphic high electron mobility transistor), I FET a svuotamento (D mode) sono dispositivi normalmente “on”: ciò significa che senza un ingresso di controllo del gate, esiste un canale di conduzione naturale. I segnali di ingresso del gate controllano la conduzione nel canale e accendono e spengono il dispositivo.
Poiché i dispositivi ad arricchimento (E mode) normalmente “off” (ovvero spenti quando non è applicata una tensione), vengono preferiti nelle applicazioni di commutazione, l’attenzione si è concentrata sullo sviluppo di dispositivi GaN ad arricchimento. Il primo è stato uno stadio cascode formato da due dispositivi FET (figura 2). Attualmente sono disponibili dispositivi GaN E-node standard che possono commutare a frequenze fino a 10 MHz e potenze dell'ordine delle decine di kW.
I dispositivi GaN vengono ampiamente utilizzati nelle apparecchiature wireless come amplificatori di potenza a frequenze che arrivano a 10 GHz. Tra le principali applicazioni si possono annoverare stazioni base cellulari, radar militari, trasmettitori satellitari e amplificazione RF in generale. Grazie alla possibilità di operare con alte tensioni (fino a 1000 V) e in presenza di temperature elevate e alla velocità commutazione, tali dispositivi possono essere integrati in un'ampia gamma di sistemi di alimentazione a commutazione come convertitori DC/DC, inverter e carica batteria.
Transistor SiC
I transistor SiC sono essenzialmente MOSFET E-mode in grado di commutare a frequenze fino a 1 GHz in presenza di livelli di tensione e corrente decisamente superiori rispetto a quelli dei MOSFET in silicio. La massima tensione tra drain e source può arrivare a circa 1800 V con capacità di gestire correnti di 100 A. Caratterizzati da una on-resistance sensibilmente inferiore rispetto a quella dei MOSFET in silicio, I dispositivi SiC risultano più adatti in tutte le applicazioni di commutazione di potenza (come nel progetto degli SMPS). Uno dei principali svantaggi dei dispositivi SiC è rappresentato dal fatto che richiedono una tensione di pilotaggio del gate superiore rispetto agli altri MOSFET, anche se i miglioramenti apportati in fase di progetto stanno contribuendo a limitare questo svantaggio.
I dispositivi SiC richiedono una tensione di pilotaggio di gate compresa tra 18 e 20 V per accendere il dispositivo con un basso valore di on-resistance. I MOSFET in silicio standard, invece, richiedono una tensione di pilotaggio di gate inferiore a 10 V per entrare nello stato di conduzione completa. Oltre a ciò, i dispositivi SiC necessitano di una tensione di pilotaggio di gate compresa tra -3 e -5 V per commutare nello stato di off (spegnimento).
Per soddisfare tale esigenza sono stati sviluppati specifici circuiti integrati per il pilotaggio del gate. I MOSFET SiC sono generalmente più costosi rispetto alle altre alternative, ma la loro capacità di gestire elevati valori di tensione e di corrente rende questi dispositivi particolarmente adatti per l'uso nei circuiti di potenza destinati alle applicazioni automotive.
Transistor WBG: un confronto
I dispositivi GaN e SiC si trovano a competere con altri tipi di semiconduttori ampiamente collaudati, in particolare IGBT, MOSFET a super-giunzione e LDMOS in silicio. In numerose applicazioni questi dispositivi, oramai datati, vengono gradualmente sostituiti da transistori GaN e SiC.
Gli IGBT, a esempio, vengono sostituiti dai dispositivi SiC in un gran numero di applicazioni. Questi ultimi possono commutare a frequenze più elevate (100 kHz rispetto a 20 kHz), consentendo il ricorso a induttori o trasformatori più piccoli (e quindi meno costosi) a fronte di un aumento dell'efficienza. I dispositivi SiC, inoltre, possono gestire correnti di valore superiore rispetto ai dispositivi GaN.
I punti salienti che emergono dal confronto tra dispositivi GaN e SiC si possono così riassumere:
- I dispositivi GaN commutano più velocemente rispetto ai dispositivi SiC;
- I dispositivi SiC operano a tensioni più elevate rispetto ai dispositivi GaN;
- I dispositivi SiC richiedono tensioni più elevate per il pilotaggio del gate;
I MOSFET a super-giunzione vengono gradualmente sostituiti dai dispositivi GaN e SiC. Questi ultimi si stanno imponendo in applicazioni quali di caricatori di bordo (OBC – On Board Charger). Questa tendenza è destinata a consolidarsi nel tempo man mano che i progettisti approfondiranno le loro conoscenze relative a questi nuovi dispositivi e acquisiranno una maggiore esperienza circa il loro impiego.
Applicazioni automotive
Numerosi dispositivi e circuiti di potenza possono essere migliorati utilizzando componenti GaN e SiC. Uno dei comparti applicativi che trarrà sicuramente notevoli vantaggi è quello dei sistemi elettrici per automotive. I moderni veicoli ibridi e completamente elettrici contengono apparati che possono utilizzare tali dispositivi. Tra le applicazioni più diffuse si possono menzionare caricatori di bordo, convertitori DC/DC, azionamenti e sistemi LiDAR. Nella figura 3 è riportato lo schema dei principali sotto-sistemi presenti in un veicolo elettrico che richiedono transistor di commutazione di elevata potenza.

Fig. 3 – Un OBC (On−board Charger) per veicoli HEV ed EV che utilizza semiconduttori WBG. Sull’ingresso in AC vengono effettuare la rettifica e la correzione del fattore di potenza (PFC) prima della conversione DC-DC. Un’uscita è impiegata per caricare la batteria ad alta tensione (HV) mentre l’altra viene utilizzat per caricare la batteria a bassa tensione (LV)
Convertitori DC/DC: si tratta di circuiti di potenza che convertono l’elevata tensione della batteria in una tensione di valore inferiore, adatta per il funzionamento di altre apparecchiature elettriche. Attualmente i valori della tensione della batteria possono arrivare a 600 o 900 V. Un convertitore DC/DC trasforma questi valori in tensioni di 48 o 12 V (o entrambi) per consentire il funzionamento di altri componenti elettronici (si faccia sempre riferimento alla figura 3). Nei veicoli elettrici ibridi e negli EV (HEVEV), è anche possibile utilizzare un convertitore DC/DC sul bus ad alta tensione tra il pacco batterie e l’inverter.
Caricatori di bordo (OBC): i veicoli HEVEV di tipo plug-in ed EV prevedono un caricabatteria interno che si collegata a una sorgente di potenza in alternata (AC) esterna. In questo modo è possibile effettuare la ricarica domestica senza ricorrere a un caricabatterie AC/DC esterno (figura 4).
Azionamenti di trazione: il motore di trazione è il motore in AC di elevata potenza che aziona le ruote di un veicolo. L’azionamento (drive) è un inverter che converte la tensione di batteria in una tensione AC trifase che fa funzionare il motore.
LIDAR: con questo nome si indica una tecnologia che si basa sullo stesso principio dei radar ma, a differenza di questi ultimi, utilizza come segnale la luce invece di un segnale radio per rilevare e identificare gli oggetti circostanti. Un sistema LiDAR scansiona un’area di 360° con un laser a infrarossi a impulsi e rileva la luce riflessa. Questa informazione viene convertita in un’immagine tridimensionale dettagliata delle scene fino a una distanza di circa 300 metri con una risoluzione di parecchi centimetri.
Grazie alla sua elevate risoluzione, è il sensore ideale per i veicoli, soprattutto quelli a guida autonoma, per migliorare l’identificazione degli oggetti circostanti. Le unità LiDAR operano con una tensione di valore compreso tra 12 e 24 V che viene fornita da un convertitore DC/DC.

Fig. 4 – Un tipico convertitore DC/DC viene utilizzato per trasformare l’elevata tensione di batteria in una tensione di 12 e/o 48 V. Gli IGBT utilizzati nel ponte ad alta tensione vengono gradualmente sostituiti con MOSFET in carburo di silicio
In virtù delle loro caratteristiche intrinseche – possibilità di gestire alti valori di tensioni e correnti ed elevata velocità di commutazione – i transistori GaN e SiC permettono ai progettisti dei sistemi elettrici usati in campo automotive di sviluppare in modo semplice ed efficace design caratterizzati da prestazioni decisamente superiori.
www.onsemi.com
Richiedi maggiori informazioni…

